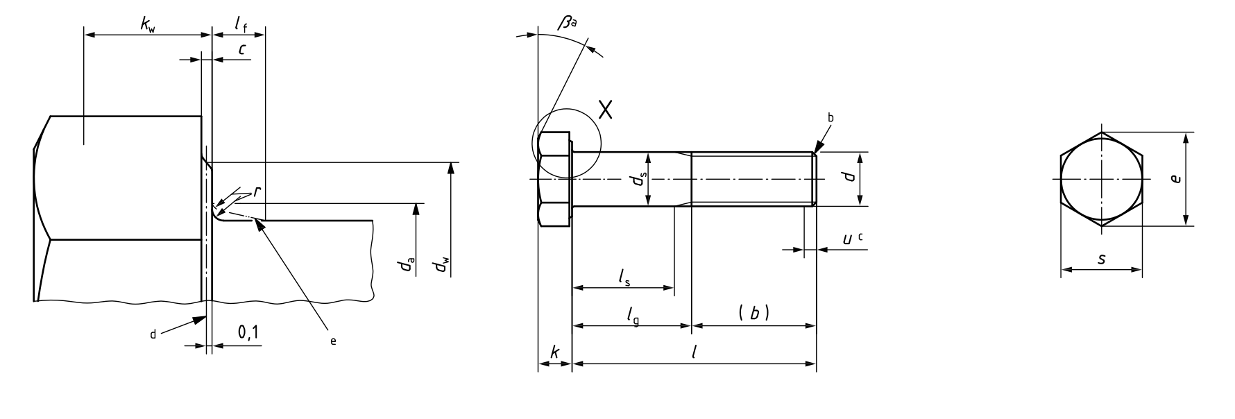
DIN 931 PN 82101 UNI 5737 CSN 4014
| Thread, d | Pa | b ref. | c | da max. |
ds | dw | e | lf max. |
k | kwe | r min. |
s | ||||||||||||||
|---|---|---|---|---|---|---|---|---|---|---|---|---|---|---|---|---|---|---|---|---|---|---|---|---|---|---|
| b | c | d | max. | min. | nom. = max. |
Product grade | Product grade | Product grade | nom. | Product grade | Product grade | nom. = max. |
Product grade | |||||||||||||
| A min. |
B min. |
A min. |
B min. |
A min. |
B min. |
A max. |
A min. |
B max. |
B min. |
A min. |
B min. |
A min. |
B min. |
|||||||||||||
| M1,6 | 0,35 | 9 | 15 | 28 | 0,25 | 0,10 | 2 | 1,60 | 1,46 | 1,35 | 2,27 | 2,30 | 3,41 | 3,28 | 0,6 | 1,1 | 1,225 | 975 | 1,3 | 0,9 | 0,68 | 0,63 | 0,1 | 3,20 | 3,02 | 2,90 |
| M2 | 0,4 | 10 | 16 | 29 | 0,25 | 0,10 | 2,6 | 2,00 | 1,86 | 1,75 | 3,07 | 2,95 | 4,32 | 4,18 | 0,8 | 1,4 | 1,525 | 1,275 | 1,6 | 1,2 | 0,89 | 0,84 | 0,1 | 4,00 | 3,82 | 3,70 |
| M2,5 | 0,45 | 11 | 17 | 30 | 0,25 | 0,10 | 3,1 | 2,50 | 2,36 | 2,25 | 4,07 | 3,95 | 5,45 | 5,31 | 1 | 1,7 | 1,825 | 1,575 | 1,9 | 1,5 | 1,10 | 1,05 | 0,1 | 5,00 | 4,82 | 4,70 |
| M3 | 0,5 | 12 | 18 | 31 | 0,40 | 0,15 | 3,6 | 3,00 | 2,86 | 2,75 | 4,57 | 4,45 | 6,01 | 5,88 | 1 | 2 | 2,125 | 1,875 | 2,2 | 1,8 | 1,31 | 1,26 | 0,1 | 5,50 | 5,32 | 5,20 |
| M3,5 | 0,6 | 13 | 19 | 32 | 0,40 | 0,15 | 4,1 | 3,50 | 3,32 | 3,20 | 5,07 | 4,95 | 6,58 | 6,44 | 1 | 2,4 | 2,525 | 2,275 | 2,6 | 2,2 | 1,59 | 1,54 | 0,1 | 6,00 | 5,82 | 5,70 |
| M4 | 0,7 | 14 | 20 | 33 | 0,40 | 0,15 | 4,7 | 4,00 | 3,82 | 3,70 | 5,88 | 5,74 | 7,66 | 7,50 | 1,2 | 2,8 | 2,925 | 2,675 | 3,0 | 2,6 | 1,87 | 1,82 | 0,2 | 7,00 | 6,78 | 6,64 |
| M5 | 0,8 | 16 | 22 | 35 | 0,50 | 0,15 | 5,7 | 5,00 | 4,82 | 4,70 | 6,88 | 6,74 | 8,79 | 8,63 | 1,2 | 3,5 | 3,65 | 3,35 | 3,74 | 3,26 | 2,35 | 2,28 | 0,2 | 8,00 | 7,78 | 7,64 |
| M6 | 1 | 18 | 24 | 37 | 0,50 | 0,15 | 6,8 | 6,00 | 5,82 | 5,70 | 8,88 | 8,74 | 11,05 | 10,89 | 1,4 | 4 | 4,15 | 3,85 | 4,24 | 3,76 | 2,70 | 2,63 | 0,25 | 10,00 | 9,78 | 9,64 |
| M8 | 1,25 | 22 | 28 | 41 | 0,60 | 0,15 | 9,2 | 8,00 | 7,78 | 7,64 | 11,63 | 11,47 | 14,38 | 14,20 | 2 | 5,3 | 5,45 | 5,15 | 5,54 | 5,06 | 3,61 | 3,54 | 0,4 | 13,00 | 12,73 | 12,57 |
| M10 | 1,5 | 26 | 32 | 45 | 0,60 | 0,15 | 11,2 | 10,00 | 9,78 | 9,64 | 14,63 | 14,47 | 17,77 | 17,59 | 2 | 6,4 | 6,58 | 6,22 | 6,69 | 6,11 | 4,35 | 4,28 | 0,4 | 16,00 | 15,73 | 15,57 |
| M12 | 1,75 | 30 | 36 | 49 | 0,60 | 0,15 | 13,7 | 12,00 | 11,73 | 11,57 | 16,63 | 16,47 | 20,03 | 19,85 | 3 | 7,5 | 7,68 | 7,32 | 7,79 | 7,21 | 5,12 | 5,05 | 0,6 | 18,00 | 17,73 | 17,57 |
| M14 | 2 | 34 | 40 | 53 | 0,60 | 0,15 | 15,7 | 14,00 | 13,73 | 13,57 | 19,64 | 19,15 | 23,36 | 22,78 | 3 | 8,8 | 8,98 | 8,62 | 9,09 | 8,51 | 6,03 | 5,96 | 0,6 | 21,00 | 20,67 | 20,16 |
| M16 | 2 | 38 | 44 | 57 | 0,8 | 0,2 | 17,7 | 16,00 | 15,73 | 15,57 | 22,49 | 22 | 26,75 | 26,17 | 3 | 10 | 10,18 | 9,82 | 10,29 | 9,71 | 6,87 | 6,8 | 0,6 | 24,00 | 23,67 | 23,16 |
| M18 | 2,5 | 42 | 48 | 61 | 0,8 | 0,2 | 20,2 | 18,00 | 17,73 | 17,57 | 25,34 | 24,85 | 30,14 | 29,56 | 3 | 11,5 | 11,715 | 11,285 | 11,85 | 11,15 | 7,9 | 7,81 | 0,6 | 27,00 | 26,67 | 26,16 |
| M20 | 2,5 | 46 | 52 | 65 | 0,8 | 0,2 | 22,4 | 20,00 | 19,67 | 19,48 | 28,19 | 27,7 | 33,53 | 32,95 | 4 | 12,5 | 12,715 | 12,285 | 12,85 | 12,15 | 8,6 | 8,51 | 0,8 | 30,00 | 29,67 | 29,16 |
| M22 | 2,5 | 50 | 56 | 69 | 0,8 | 0,2 | 24,4 | 22,0 | 21,67 | 21,48 | 31,71 | 31,35 | 37,72 | 37,29 | 4 | 14 | 14,215 | 13,785 | 14,35 | 13,65 | 9,65 | 9,56 | 0,8 | 34,00 | 33,38 | 33,00 |
| M24 | 3 | 54 | 60 | 73 | 0,8 | 0,2 | 26,4 | 24,00 | 23,67 | 23,48 | 33,61 | 33,25 | 39,98 | 39,55 | 4 | 15 | 15,215 | 14,785 | 15,35 | 14,65 | 10,35 | 10,26 | 0,8 | 36,00 | 35,38 | 35,00 |
| M27 | 3 | 60 | 66 | 79 | 0,8 | 0,2 | 30,4 | 27,00 | — | 26,48 | — | 38 | — | 45,2 | 6 | 17 | — | — | 17,35 | 13,65 | — | 11,66 | 1 | 41 | — | 40 |
| M30 | 3,5 | 66 | 72 | 85 | 0,8 | 0,2 | 33,4 | 30,00 | — | 29,48 | — | 42,75 | — | 50,85 | 6 | 18,7 | — | — | 19,12 | 18,28 | — | 12,8 | 1 | 46 | — | 45 |
| M33 | 3,5 | — | 78 | 91 | 0,8 | 0,2 | 36,4 | 33,00 | — | 32,38 | — | 46,55 | — | 55,37 | 6 | 21 | — | — | 21,42 | 20,58 | — | 14,41 | 1 | 50 | — | 49 |
| M36 | 4 | — | 84 | 97 | 0,8 | 0,2 | 39,4 | 36,00 | — | 35,38 | — | 51,11 | — | 60,79 | 6 | 22,5 | — | — | 22,92 | 22,08 | — | 15,46 | 1 | 55,0 | — | 53,8 |
| M39 | 4 | — | 90 | 103 | 1,0 | 0,3 | 42,4 | 39,00 | — | 38,38 | — | 55,86 | — | 66,44 | 6 | 25 | — | — | 25,42 | 24,58 | — | 17,21 | 1 | 60,0 | — | 58,8 |
| M42 | 4,5 | — | 96 | 109 | 1,0 | 0,3 | 45,6 | 42,00 | — | 41,38 | — | 59,95 | — | 71,3 | 8 | 26 | — | — | 26,42 | 25,58 | — | 17,91 | 1,2 | 65,0 | — | 63,1 |
| M45 | 4,5 | — | 102 | 115 | 1,0 | 0,3 | 48,6 | 45,00 | — | 44,38 | — | 64,7 | — | 76,95 | 8 | 28 | — | — | 28,42 | 27,58 | — | 19,31 | 1,2 | 70,0 | — | 68,1 |
| M48 | 5 | — | 108 | 121 | 1,0 | 0,3 | 52,6 | 48,00 | — | 47,38 | — | 69,45 | — | 82,6 | 10 | 30 | — | — | 30,42 | 29,58 | — | 20,71 | 1,6 | 75,0 | — | 73,1 |
| M52 | 5 | — | 116 | 129 | 1,0 | 0,3 | 56,6 | 52,00 | — | 51,26 | — | 74,2 | — | 88,25 | 10 | 33 | — | — | 33,5 | 32,5 | — | 22,75 | 1,6 | 80,0 | — | 78,1 |
| M56 | 5,5 | — | — | 137 | 1,0 | 0,3 | 63 | 56,00 | — | 55,26 | — | 78,66 | — | 93,56 | 12 | 35 | — | — | 35,5 | 34,5 | — | 24,15 | 2 | 85,0 | — | 82,8 |
| M60 | 5,5 | — | — | 145 | 1,0 | 0,3 | 67 | 60,00 | — | 59,26 | — | 83,41 | — | 99,21 | 12 | 38 | — | — | 38,5 | 37,5 | — | 26,25 | 2 | 90,0 | — | 87,8 |
| M64 | 6 | — | — | 153 | 1,0 | 0,3 | 71 | 64,00 | — | 63,26 | — | 88,16 | — | 104,86 | 13 | 40 | — | — | 40,5 | 39,5 | — | 27,65 | 2 | 95,0 | — | 92,8 |
| Thread, d nom. |
l | |||
|---|---|---|---|---|
| Product grade | ||||
| A min. |
A max. |
B min. |
B max. |
|
| 12 | 11,65 | 12,35 | - | - |
| 16 | 15,65 | 16,35 | - | - |
| 20 | 19,58 | 20,42 | 18,95 | 21,05 |
| 25 | 24,58 | 25,42 | 23,95 | 26,05 |
| 30 | 29,58 | 30,42 | 28,95 | 31,05 |
| 35 | 34,5 | 35,5 | 33,75 | 36,25 |
| 40 | 39,5 | 40,5 | 38,75 | 41,25 |
| 45 | 44,5 | 45,5 | 43,75 | 46,25 |
| 50 | 49,5 | 50,5 | 48,75 | 51,25 |
| 55 | 54,4 | 55,6 | 53,5 | 56,5 |
| 60 | 59,4 | 60,6 | 58,5 | 61,5 |
| 65 | 64,4 | 65,6 | 63,5 | 66,5 |
| 70 | 69,4 | 70,6 | 68,5 | 71,5 |
| 80 | 79,4 | 80,6 | 78,5 | 81,5 |
| 90 | 89,3 | 90,7 | 88,25 | 91,75 |
| 100 | 99,3 | 100,7 | 98,25 | 101,75 |
| 110 | 109,3 | 110,7 | 108,25 | 111,75 |
| 120 | 119,3 | 120,7 | 118,25 | 121,75 |
| 130 | 129,2 | 130,8 | 128 | 132 |
| 140 | 139,2 | 140,8 | 138 | 142 |
| 150 | 149,2 | 150,8 | 148 | 152 |
| 160 | — | — | 158 | 162 |
| 180 | — | — | 178 | 182 |
| 200 | — | — | 197,7 | 202,3 |
| 220 | — | — | 217,7 | 222,3 |
| 240 | — | — | 237,7 | 242,3 |
| 260 | — | — | 257,4 | 262,6 |
| 280 | — | — | 277,4 | 282,6 |
| 300 | — | — | 297,4 | 302,6 |
| 320 | — | — | 317,15 | 322,85 |
| 340 | — | — | 337,15 | 342,85 |
| 360 | — | — | 357,15 | 362,85 |
| 380 | — | — | 377,15 | 382,85 |
| 400 | — | — | 397,15 | 402,85 |
| 420 | — | — | 416,85 | 423,15 |
| 440 | — | — | 436,85 | 443,15 |
| 460 | — | — | 456,85 | 463,15 |
| 480 | — | — | 476,85 | 483,15 |
| 500 | — | — | 496,85 | 503,15 |
| Thread, d nom. |
l | M1,6 | M2 | M2,5 | M3 | M3,5 | M4 | M5 | M6 | M8 | M10 | M12 | M14 | M16 | M18 | M20 | M22 | M24 | M27 | M30 | M33 | M36 | M39 | M42 | M45 | M48 | M52 | M56 | M60 | M64 | ||||||||||||||||||||||||||||||||
|---|---|---|---|---|---|---|---|---|---|---|---|---|---|---|---|---|---|---|---|---|---|---|---|---|---|---|---|---|---|---|---|---|---|---|---|---|---|---|---|---|---|---|---|---|---|---|---|---|---|---|---|---|---|---|---|---|---|---|---|---|---|---|
| Product grade | ls and lg | |||||||||||||||||||||||||||||||||||||||||||||||||||||||||||||
| A min. |
A max. |
B min. |
B max. |
ls min. |
lg max. |
ls min. |
lg max. |
ls min. |
lg max. |
ls min. |
lg max. |
ls min. |
lg max. |
ls min. |
lg max. |
ls min. |
lg max. |
ls min. |
lg max. |
ls min. |
lg max. |
ls min. |
lg max. |
ls min. |
lg max. |
ls min. |
lg max. |
ls min. |
lg max. |
ls min. |
lg max. |
ls min. |
lg max. |
ls min. |
lg max. |
ls min. |
lg max. |
ls min. |
lg max. |
ls min. |
lg max. |
ls min. |
lg max. |
ls min. |
lg max. |
ls min. |
lg max. |
ls min. |
lg max. |
ls min. |
lg max. |
ls min. |
lg max. |
ls min. |
lg max. |
ls min. |
lg max. |
ls min. |
lg max. |
ls min. |
lg max. |
|
| 12 | 11,65 | 12,35 | — | — | 1,2 | 3 | Full Thread | Full Thread | Full Thread | Full Thread | Full Thread | Full Thread | Full Thread | Full Thread | Full Thread | Full Thread | Full Thread | Full Thread | Full Thread | Full Thread | Full Thread | Full Thread | Full Thread | Full Thread | Full Thread | Full Thread | Full Thread | Full Thread | Full Thread | Full Thread | Full Thread | Full Thread | Full Thread | Full Thread | Full Thread | Full Thread | Full Thread | Full Thread | Full Thread | Full Thread | Full Thread | Full Thread | Full Thread | Full Thread | Full Thread | Full Thread | Full Thread | Full Thread | Full Thread | Full Thread | Full Thread | Full Thread | Full Thread | Full Thread | Full Thread | Full Thread | Full Thread | Full Thread | Full Thread | Full Thread | Full Thread | Full Thread |
| 16 | 15,65 | 16,35 | — | — | 5,2 | 7 | 4 | 6 | 2,75 | 5 | Full Thread | Full Thread | Full Thread | Full Thread | Full Thread | Full Thread | Full Thread | Full Thread | Full Thread | Full Thread | Full Thread | Full Thread | Full Thread | Full Thread | Full Thread | Full Thread | Full Thread | Full Thread | Full Thread | Full Thread | Full Thread | Full Thread | Full Thread | Full Thread | Full Thread | Full Thread | Full Thread | Full Thread | Full Thread | Full Thread | Full Thread | Full Thread | Full Thread | Full Thread | Full Thread | Full Thread | Full Thread | Full Thread | Full Thread | Full Thread | Full Thread | Full Thread | Full Thread | Full Thread | Full Thread | Full Thread | Full Thread | Full Thread | Full Thread | Full Thread | Full Thread | Full Thread |
| 20 | 19,58 | 20,42 | 18,95 | 21,05 | . . . | . . . | 8 | 10 | 6,75 | 9 | 5,5 | 8 | 4 | 7 | Full Thread | Full Thread | Full Thread | Full Thread | Full Thread | Full Thread | Full Thread | Full Thread | Full Thread | Full Thread | Full Thread | Full Thread | Full Thread | Full Thread | Full Thread | Full Thread | Full Thread | Full Thread | Full Thread | Full Thread | Full Thread | Full Thread | Full Thread | Full Thread | Full Thread | Full Thread | Full Thread | Full Thread | Full Thread | Full Thread | Full Thread | Full Thread | Full Thread | Full Thread | Full Thread | Full Thread | Full Thread | Full Thread | Full Thread | Full Thread | Full Thread | Full Thread | Full Thread | Full Thread | Full Thread | Full Thread | Full Thread | Full Thread |
| 25 | 24,58 | 25,42 | 23,95 | 26,05 | . . . | . . . | . . . | . . . | 11,75 | 14 | 10,5 | 13 | 9 | 12 | 7,5 | 11 | 5 | 9 | Full Thread | Full Thread | Full Thread | Full Thread | Full Thread | Full Thread | Full Thread | Full Thread | Full Thread | Full Thread | Full Thread | Full Thread | Full Thread | Full Thread | Full Thread | Full Thread | Full Thread | Full Thread | Full Thread | Full Thread | Full Thread | Full Thread | Full Thread | Full Thread | Full Thread | Full Thread | Full Thread | Full Thread | Full Thread | Full Thread | Full Thread | Full Thread | Full Thread | Full Thread | Full Thread | Full Thread | Full Thread | Full Thread | Full Thread | Full Thread | Full Thread | Full Thread | Full Thread | Full Thread |
| 30 | 29,58 | 30,42 | 28,95 | 31,05 | . . . | . . . | . . . | . . . | . . . | . . . | 15,5 | 18 | 14 | 17 | 12,5 | 16 | 10 | 14 | 7 | 12 | Full Thread | Full Thread | Full Thread | Full Thread | Full Thread | Full Thread | Full Thread | Full Thread | Full Thread | Full Thread | Full Thread | Full Thread | Full Thread | Full Thread | Full Thread | Full Thread | Full Thread | Full Thread | Full Thread | Full Thread | Full Thread | Full Thread | Full Thread | Full Thread | Full Thread | Full Thread | Full Thread | Full Thread | Full Thread | Full Thread | Full Thread | Full Thread | Full Thread | Full Thread | Full Thread | Full Thread | Full Thread | Full Thread | Full Thread | Full Thread | Full Thread | Full Thread |
| 35 | 34,5 | 35,5 | 33,75 | 36,25 | . . . | . . . | . . . | . . . | . . . | . . . | . . . | . . . | 19 | 22 | 17,5 | 21 | 15 | 19 | 12 | 17 | Full Thread | Full Thread | Full Thread | Full Thread | Full Thread | Full Thread | Full Thread | Full Thread | Full Thread | Full Thread | Full Thread | Full Thread | Full Thread | Full Thread | Full Thread | Full Thread | Full Thread | Full Thread | Full Thread | Full Thread | Full Thread | Full Thread | Full Thread | Full Thread | Full Thread | Full Thread | Full Thread | Full Thread | Full Thread | Full Thread | Full Thread | Full Thread | Full Thread | Full Thread | Full Thread | Full Thread | Full Thread | Full Thread | Full Thread | Full Thread | Full Thread | Full Thread |
| 40 | 39,5 | 40,5 | 38,75 | 41,25 | . . . | . . . | . . . | . . . | . . . | . . . | . . . | . . . | . . . | . . . | 22,5 | 26 | 20 | 24 | 17 | 22 | 11,75 | 18 | Full Thread | Full Thread | Full Thread | Full Thread | Full Thread | Full Thread | Full Thread | Full Thread | Full Thread | Full Thread | Full Thread | Full Thread | Full Thread | Full Thread | Full Thread | Full Thread | Full Thread | Full Thread | Full Thread | Full Thread | Full Thread | Full Thread | Full Thread | Full Thread | Full Thread | Full Thread | Full Thread | Full Thread | Full Thread | Full Thread | Full Thread | Full Thread | Full Thread | Full Thread | Full Thread | Full Thread | Full Thread | Full Thread | Full Thread | Full Thread |
| 45 | 44,5 | 45,5 | 43,75 | 46,25 | . . . | . . . | . . . | . . . | . . . | . . . | . . . | . . . | . . . | . . . | . . . | . . . | 25 | 29 | 22 | 27 | 16,75 | 23 | 11,5 | 19 | Full Thread | Full Thread | Full Thread | Full Thread | Full Thread | Full Thread | Full Thread | Full Thread | Full Thread | Full Thread | Full Thread | Full Thread | Full Thread | Full Thread | Full Thread | Full Thread | Full Thread | Full Thread | Full Thread | Full Thread | Full Thread | Full Thread | Full Thread | Full Thread | Full Thread | Full Thread | Full Thread | Full Thread | Full Thread | Full Thread | Full Thread | Full Thread | Full Thread | Full Thread | Full Thread | Full Thread | Full Thread | Full Thread |
| 50 | 49,5 | 50,5 | 48,75 | 51,25 | . . . | . . . | . . . | . . . | . . . | . . . | . . . | . . . | . . . | . . . | . . . | . . . | 30 | 34 | 27 | 32 | 21,75 | 28 | 16,5 | 24 | 11,25 | 20 | Full Thread | Full Thread | Full Thread | Full Thread | Full Thread | Full Thread | Full Thread | Full Thread | Full Thread | Full Thread | Full Thread | Full Thread | Full Thread | Full Thread | Full Thread | Full Thread | Full Thread | Full Thread | Full Thread | Full Thread | Full Thread | Full Thread | Full Thread | Full Thread | Full Thread | Full Thread | Full Thread | Full Thread | Full Thread | Full Thread | Full Thread | Full Thread | Full Thread | Full Thread | Full Thread | Full Thread |
| 55 | 54,4 | 55,6 | 53,5 | 56,5 | . . . | . . . | . . . | . . . | . . . | . . . | . . . | . . . | . . . | . . . | . . . | . . . | . . . | . . . | 32 | 37 | 26,75 | 33 | 21,5 | 29 | 16,25 | 25 | Full Thread | Full Thread | Full Thread | Full Thread | Full Thread | Full Thread | Full Thread | Full Thread | Full Thread | Full Thread | Full Thread | Full Thread | Full Thread | Full Thread | Full Thread | Full Thread | Full Thread | Full Thread | Full Thread | Full Thread | Full Thread | Full Thread | Full Thread | Full Thread | Full Thread | Full Thread | Full Thread | Full Thread | Full Thread | Full Thread | Full Thread | Full Thread | Full Thread | Full Thread | Full Thread | Full Thread |
| 60 | 59,4 | 60,6 | 58,5 | 61,5 | . . . | . . . | . . . | . . . | . . . | . . . | . . . | . . . | . . . | . . . | . . . | . . . | . . . | . . . | 37 | 42 | 31,75 | 38 | 26,5 | 34 | 21,25 | 30 | 16 | 26 | Full Thread | Full Thread | Full Thread | Full Thread | Full Thread | Full Thread | Full Thread | Full Thread | Full Thread | Full Thread | Full Thread | Full Thread | Full Thread | Full Thread | Full Thread | Full Thread | Full Thread | Full Thread | Full Thread | Full Thread | Full Thread | Full Thread | Full Thread | Full Thread | Full Thread | Full Thread | Full Thread | Full Thread | Full Thread | Full Thread | Full Thread | Full Thread | Full Thread | Full Thread |
| 65 | 64,4 | 65,6 | 63,5 | 66,5 | . . . | . . . | . . . | . . . | . . . | . . . | . . . | . . . | . . . | . . . | . . . | . . . | . . . | . . . | . . . | . . . | 36,75 | 43 | 31,5 | 39 | 26,25 | 35 | 21 | 31 | 17 | 27 | Full Thread | Full Thread | Full Thread | Full Thread | Full Thread | Full Thread | Full Thread | Full Thread | Full Thread | Full Thread | Full Thread | Full Thread | Full Thread | Full Thread | Full Thread | Full Thread | Full Thread | Full Thread | Full Thread | Full Thread | Full Thread | Full Thread | Full Thread | Full Thread | Full Thread | Full Thread | Full Thread | Full Thread | Full Thread | Full Thread | Full Thread | Full Thread |
| 70 | 69,4 | 70,6 | 68,5 | 71,5 | . . . | . . . | . . . | . . . | . . . | . . . | . . . | . . . | . . . | . . . | . . . | . . . | . . . | . . . | . . . | . . . | 41,75 | 48 | 36,5 | 44 | 31,25 | 40 | 26 | 36 | 22 | 32 | 15,5 | 28 | Full Thread | Full Thread | Full Thread | Full Thread | Full Thread | Full Thread | Full Thread | Full Thread | Full Thread | Full Thread | Full Thread | Full Thread | Full Thread | Full Thread | Full Thread | Full Thread | Full Thread | Full Thread | Full Thread | Full Thread | Full Thread | Full Thread | Full Thread | Full Thread | Full Thread | Full Thread | Full Thread | Full Thread | Full Thread | Full Thread |
| 80 | 79,4 | 80,6 | 78,5 | 81,5 | . . . | . . . | . . . | . . . | . . . | . . . | . . . | . . . | . . . | . . . | . . . | . . . | . . . | . . . | . . . | . . . | 51,75 | 58 | 46,5 | 54 | 41,25 | 50 | 36 | 46 | 32 | 42 | 25,5 | 38 | 21,5 | 34 | Full Thread | Full Thread | Full Thread | Full Thread | Full Thread | Full Thread | Full Thread | Full Thread | Full Thread | Full Thread | Full Thread | Full Thread | Full Thread | Full Thread | Full Thread | Full Thread | Full Thread | Full Thread | Full Thread | Full Thread | Full Thread | Full Thread | Full Thread | Full Thread | Full Thread | Full Thread | Full Thread | Full Thread |
| 90 | 89,3 | 90,7 | 88,25 | 91,75 | . . . | . . . | . . . | . . . | . . . | . . . | . . . | . . . | . . . | . . . | . . . | . . . | . . . | . . . | . . . | . . . | . . . | . . . | 56,5 | 64 | 51,25 | 60 | 46 | 56 | 42 | 52 | 35,5 | 48 | 31,5 | 44 | 27,5 | 40 | 21 | 36 | Full Thread | Full Thread | Full Thread | Full Thread | Full Thread | Full Thread | Full Thread | Full Thread | Full Thread | Full Thread | Full Thread | Full Thread | Full Thread | Full Thread | Full Thread | Full Thread | Full Thread | Full Thread | Full Thread | Full Thread | Full Thread | Full Thread | Full Thread | Full Thread |
| 100 | 99,3 | 100,7 | 98,25 | 101,75 | . . . | . . . | . . . | . . . | . . . | . . . | . . . | . . . | . . . | . . . | . . . | . . . | . . . | . . . | . . . | . . . | . . . | . . . | 66,5 | 74 | 61,25 | 70 | 56 | 66 | 52 | 62 | 45,5 | 58 | 41,5 | 54 | 37,5 | 50 | 31 | 46 | 25 | 40 | Full Thread | Full Thread | Full Thread | Full Thread | Full Thread | Full Thread | Full Thread | Full Thread | Full Thread | Full Thread | Full Thread | Full Thread | Full Thread | Full Thread | Full Thread | Full Thread | Full Thread | Full Thread | Full Thread | Full Thread | Full Thread | Full Thread |
| 110 | 109,3 | 110,7 | 108,25 | 111,75 | . . . | . . . | . . . | . . . | . . . | . . . | . . . | . . . | . . . | . . . | . . . | . . . | . . . | . . . | . . . | . . . | . . . | . . . | . . . | . . . | 71,25 | 80 | 66 | 76 | 62 | 72 | 55,5 | 68 | 51,5 | 64 | 47,5 | 60 | 41 | 56 | 35 | 50 | 26,5 | 44 | Full Thread | Full Thread | Full Thread | Full Thread | Full Thread | Full Thread | Full Thread | Full Thread | Full Thread | Full Thread | Full Thread | Full Thread | Full Thread | Full Thread | Full Thread | Full Thread | Full Thread | Full Thread | Full Thread | Full Thread |
| 120 | 119,3 | 120,7 | 118,25 | 121,75 | . . . | . . . | . . . | . . . | . . . | . . . | . . . | . . . | . . . | . . . | . . . | . . . | . . . | . . . | . . . | . . . | . . . | . . . | . . . | . . . | 81,25 | 90 | 76 | 86 | 72 | 82 | 65,5 | 78 | 61,5 | 74 | 57,5 | 70 | 51 | 66 | 45 | 60 | 36,5 | 54 | Full Thread | Full Thread | Full Thread | Full Thread | Full Thread | Full Thread | Full Thread | Full Thread | Full Thread | Full Thread | Full Thread | Full Thread | Full Thread | Full Thread | Full Thread | Full Thread | Full Thread | Full Thread | Full Thread | Full Thread |
| 130 | 129,2 | 130,8 | 128 | 132 | . . . | . . . | . . . | . . . | . . . | . . . | . . . | . . . | . . . | . . . | . . . | . . . | . . . | . . . | . . . | . . . | . . . | . . . | . . . | . . . | . . . | . . . | 80 | 90 | 76 | 86 | 69,5 | 82 | 65,5 | 78 | 61,5 | 74 | 55 | 70 | 49 | 64 | 40,5 | 58 | 34,5 | 52 | Full Thread | Full Thread | Full Thread | Full Thread | Full Thread | Full Thread | Full Thread | Full Thread | Full Thread | Full Thread | Full Thread | Full Thread | Full Thread | Full Thread | Full Thread | Full Thread | Full Thread | Full Thread |
| 140 | 139,2 | 140,8 | 138 | 142 | . . . | . . . | . . . | . . . | . . . | . . . | . . . | . . . | . . . | . . . | . . . | . . . | . . . | . . . | . . . | . . . | . . . | . . . | . . . | . . . | . . . | . . . | 90 | 100 | 86 | 96 | 79,5 | 92 | 75,5 | 88 | 71,5 | 84 | 65 | 80 | 59 | 74 | 50,5 | 68 | 44,5 | 62 | 36 | 56 | Full Thread | Full Thread | Full Thread | Full Thread | Full Thread | Full Thread | Full Thread | Full Thread | Full Thread | Full Thread | Full Thread | Full Thread | Full Thread | Full Thread | Full Thread | Full Thread |
| 150 | 149,2 | 150,8 | 148 | 152 | . . . | . . . | . . . | . . . | . . . | . . . | . . . | . . . | . . . | . . . | . . . | . . . | . . . | . . . | . . . | . . . | . . . | . . . | . . . | . . . | . . . | . . . | . . . | . . . | 96 | 106 | 89,5 | 102 | 85,5 | 98 | 81,5 | 94 | 75 | 90 | 69 | 84 | 60,5 | 78 | 54,5 | 72 | 46 | 66 | 40 | 60 | Full Thread | Full Thread | Full Thread | Full Thread | Full Thread | Full Thread | Full Thread | Full Thread | Full Thread | Full Thread | Full Thread | Full Thread | Full Thread | Full Thread |
| 160 | — | — | 158 | 162 | . . . | . . . | . . . | . . . | . . . | . . . | . . . | . . . | . . . | . . . | . . . | . . . | . . . | . . . | . . . | . . . | . . . | . . . | . . . | . . . | . . . | . . . | . . . | . . . | 106 | 116 | 99,5 | 112 | 95,5 | 108 | 91,5 | 104 | 85 | 100 | 79 | 94 | 70,5 | 88 | 64,5 | 82 | 56 | 76 | 50 | 70 | 41,5 | 64 | Full Thread | Full Thread | Full Thread | Full Thread | Full Thread | Full Thread | Full Thread | Full Thread | Full Thread | Full Thread | Full Thread | Full Thread |
| 180 | — | — | 178 | 182 | . . . | . . . | . . . | . . . | . . . | . . . | . . . | . . . | . . . | . . . | . . . | . . . | . . . | . . . | . . . | . . . | . . . | . . . | . . . | . . . | . . . | . . . | . . . | . . . | . . . | . . . | 119,5 | 132 | 115,5 | 128 | 111,5 | 124 | 105 | 120 | 99 | 114 | 90,5 | 108 | 84,5 | 102 | 76 | 96 | 70 | 90 | 61,5 | 84 | 55,5 | 78 | 47 | 72 | Full Thread | Full Thread | Full Thread | Full Thread | Full Thread | Full Thread | Full Thread | Full Thread |
| 200 | — | — | 197,7 | 202,3 | . . . | . . . | . . . | . . . | . . . | . . . | . . . | . . . | . . . | . . . | . . . | . . . | . . . | . . . | . . . | . . . | . . . | . . . | . . . | . . . | . . . | . . . | . . . | . . . | . . . | . . . | . . . | . . . | 135,5 | 148 | 131,5 | 144 | 125 | 140 | 119 | 134 | 110,5 | 128 | 104,5 | 122 | 96 | 116 | 90 | 110 | 81,5 | 104 | 75,5 | 98 | 67 | 92 | 59 | 84 | Full Thread | Full Thread | Full Thread | Full Thread | Full Thread | Full Thread |
| 220 | — | — | 217,7 | 222,3 | . . . | . . . | . . . | . . . | . . . | . . . | . . . | . . . | . . . | . . . | . . . | . . . | . . . | . . . | . . . | . . . | . . . | . . . | . . . | . . . | . . . | . . . | . . . | . . . | . . . | . . . | . . . | . . . | . . . | . . . | 138,5 | 151 | 132 | 147 | 126 | 141 | 117,5 | 135 | 111,5 | 129 | 103 | 123 | 97 | 117 | 88,5 | 111 | 82,5 | 105 | 74 | 99 | 66 | 91 | 55,5 | 83 | Full Thread | Full Thread | Full Thread | Full Thread |
| 240 | — | — | 237,7 | 242,3 | . . . | . . . | . . . | . . . | . . . | . . . | . . . | . . . | . . . | . . . | . . . | . . . | . . . | . . . | . . . | . . . | . . . | . . . | . . . | . . . | . . . | . . . | . . . | . . . | . . . | . . . | . . . | . . . | . . . | . . . | . . . | . . . | 152 | 167 | 146 | 161 | 137,5 | 155 | 131,5 | 149 | 123 | 143 | 117 | 137 | 108,5 | 131 | 102,5 | 125 | 94 | 119 | 86 | 111 | 75,5 | 103 | 67,5 | 95 | Full Thread | Full Thread |
| 260 | — | — | 257,4 | 262,6 | . . . | . . . | . . . | . . . | . . . | . . . | . . . | . . . | . . . | . . . | . . . | . . . | . . . | . . . | . . . | . . . | . . . | . . . | . . . | . . . | . . . | . . . | . . . | . . . | . . . | . . . | . . . | . . . | . . . | . . . | . . . | . . . | . . . | . . . | 166 | 181 | 157,5 | 175 | 151,5 | 169 | 143 | 163 | 137 | 157 | 128,5 | 151 | 122,5 | 145 | 114 | 139 | 106 | 131 | 95,5 | 123 | 87,5 | 115 | 77 | 107 |
| 280 | — | — | 277,4 | 282,6 | . . . | . . . | . . . | . . . | . . . | . . . | . . . | . . . | . . . | . . . | . . . | . . . | . . . | . . . | . . . | . . . | . . . | . . . | . . . | . . . | . . . | . . . | . . . | . . . | . . . | . . . | . . . | . . . | . . . | . . . | . . . | . . . | . . . | . . . | . . . | . . . | 177,5 | 195 | 171,5 | 189 | 163 | 183 | 157 | 177 | 148,5 | 171 | 142,5 | 165 | 134 | 159 | 126 | 151 | 115,5 | 143 | 107,5 | 135 | 97 | 127 |
| 300 | — | — | 297,4 | 302,6 | . . . | . . . | . . . | . . . | . . . | . . . | . . . | . . . | . . . | . . . | . . . | . . . | . . . | . . . | . . . | . . . | . . . | . . . | . . . | . . . | . . . | . . . | . . . | . . . | . . . | . . . | . . . | . . . | . . . | . . . | . . . | . . . | . . . | . . . | . . . | . . . | 197,5 | 215 | 191,5 | 209 | 183 | 203 | 177 | 197 | 168,5 | 191 | 162,5 | 185 | 154 | 179 | 146 | 171 | 135,5 | 163 | 127,5 | 155 | 117 | 147 |
| 320 | — | — | 317,15 | 322,85 | . . . | . . . | . . . | . . . | . . . | . . . | . . . | . . . | . . . | . . . | . . . | . . . | . . . | . . . | . . . | . . . | . . . | . . . | . . . | . . . | . . . | . . . | . . . | . . . | . . . | . . . | . . . | . . . | . . . | . . . | . . . | . . . | . . . | . . . | . . . | . . . | . . . | . . . | 211,5 | 229 | 203 | 223 | 197 | 217 | 188,5 | 211 | 182,5 | 205 | 174 | 199 | 166 | 191 | 155,5 | 183 | 147,5 | 175 | 137 | 167 |
| 340 | — | — | 337,15 | 342,85 | . . . | . . . | . . . | . . . | . . . | . . . | . . . | . . . | . . . | . . . | . . . | . . . | . . . | . . . | . . . | . . . | . . . | . . . | . . . | . . . | . . . | . . . | . . . | . . . | . . . | . . . | . . . | . . . | . . . | . . . | . . . | . . . | . . . | . . . | . . . | . . . | . . . | . . . | . . . | . . . | 233 | 243 | 217 | 237 | 208,5 | 231 | 202,5 | 225 | 194 | 219 | 186 | 211 | 175,5 | 203 | 167,5 | 195 | 157 | 187 |
| 360 | — | — | 357,15 | 362,85 | . . . | . . . | . . . | . . . | . . . | . . . | . . . | . . . | . . . | . . . | . . . | . . . | . . . | . . . | . . . | . . . | . . . | . . . | . . . | . . . | . . . | . . . | . . . | . . . | . . . | . . . | . . . | . . . | . . . | . . . | . . . | . . . | . . . | . . . | . . . | . . . | . . . | . . . | . . . | . . . | 243 | 263 | 237 | 257 | 228,5 | 251 | 222,5 | 245 | 214 | 239 | 206 | 231 | 195,5 | 223 | 187,5 | 215 | 177 | 207 |
| 380 | — | — | 377,15 | 382,85 | . . . | . . . | . . . | . . . | . . . | . . . | . . . | . . . | . . . | . . . | . . . | . . . | . . . | . . . | . . . | . . . | . . . | . . . | . . . | . . . | . . . | . . . | . . . | . . . | . . . | . . . | . . . | . . . | . . . | . . . | . . . | . . . | . . . | . . . | . . . | . . . | . . . | . . . | . . . | . . . | . . . | . . . | 257 | 277 | 248,5 | 271 | 242,5 | 265 | 234 | 259 | 226 | 251 | 215,5 | 243 | 207,5 | 235 | 197 | 227 |
| 400 | — | — | 397,15 | 402,85 | . . . | . . . | . . . | . . . | . . . | . . . | . . . | . . . | . . . | . . . | . . . | . . . | . . . | . . . | . . . | . . . | . . . | . . . | . . . | . . . | . . . | . . . | . . . | . . . | . . . | . . . | . . . | . . . | . . . | . . . | . . . | . . . | . . . | . . . | . . . | . . . | . . . | . . . | . . . | . . . | . . . | . . . | . . . | . . . | 268,5 | 291 | 262,5 | 285 | 254 | 279 | 246 | 271 | 235,5 | 263 | 227,5 | 255 | 217 | 247 |
| 420 | — | — | 416,85 | 423,15 | . . . | . . . | . . . | . . . | . . . | . . . | . . . | . . . | . . . | . . . | . . . | . . . | . . . | . . . | . . . | . . . | . . . | . . . | . . . | . . . | . . . | . . . | . . . | . . . | . . . | . . . | . . . | . . . | . . . | . . . | . . . | . . . | . . . | . . . | . . . | . . . | . . . | . . . | . . . | . . . | . . . | . . . | . . . | . . . | 288,5 | 311 | 282,5 | 305 | 274 | 299 | 266 | 291 | 255,5 | 283 | 247,5 | 275 | 237 | 267 |
| 440 | — | — | 436,85 | 443,15 | . . . | . . . | . . . | . . . | . . . | . . . | . . . | . . . | . . . | . . . | . . . | . . . | . . . | . . . | . . . | . . . | . . . | . . . | . . . | . . . | . . . | . . . | . . . | . . . | . . . | . . . | . . . | . . . | . . . | . . . | . . . | . . . | . . . | . . . | . . . | . . . | . . . | . . . | . . . | . . . | . . . | . . . | . . . | . . . | 308,5 | 331 | 302,5 | 325 | 294 | 319 | 286 | 311 | 275,5 | 303 | 267,5 | 295 | 257 | 287 |
| 460 | — | — | 456,85 | 463,15 | . . . | . . . | . . . | . . . | . . . | . . . | . . . | . . . | . . . | . . . | . . . | . . . | . . . | . . . | . . . | . . . | . . . | . . . | . . . | . . . | . . . | . . . | . . . | . . . | . . . | . . . | . . . | . . . | . . . | . . . | . . . | . . . | . . . | . . . | . . . | . . . | . . . | . . . | . . . | . . . | . . . | . . . | . . . | . . . | 314 | 339 | . . . | . . . | 315,5 | 323 | 306 | 331 | 295,5 | 323 | 287,5 | 315 | 277 | 307 |
| 480 | — | — | 476,85 | 483,15 | . . . | . . . | . . . | . . . | . . . | . . . | . . . | . . . | . . . | . . . | . . . | . . . | . . . | . . . | . . . | . . . | . . . | . . . | . . . | . . . | . . . | . . . | . . . | . . . | . . . | . . . | . . . | . . . | . . . | . . . | . . . | . . . | . . . | . . . | . . . | . . . | . . . | . . . | . . . | . . . | . . . | . . . | . . . | . . . | 334 | 359 | . . . | . . . | 315,5 | 343 | 326 | 351 | 315,5 | 343 | 307,5 | 335 | 297 | 327 |
| 500 | — | — | 496,85 | 503,15 | . . . | . . . | . . . | . . . | . . . | . . . | . . . | . . . | . . . | . . . | . . . | . . . | . . . | . . . | . . . | . . . | . . . | . . . | . . . | . . . | . . . | . . . | . . . | . . . | . . . | . . . | . . . | . . . | . . . | . . . | . . . | . . . | . . . | . . . | . . . | . . . | . . . | . . . | . . . | . . . | . . . | . . . | . . . | . . . | . . . | . . . | . . . | . . . | 335,5 | 363 | . . . | . . . | . . . | . . . | 327,5 | 355 | 317 | 347 |
ASTM
A193/A193M Standard Specification for Alloy-Steel and Stainless Steel Bolting Materials for
High Temperature or High Pressure Service and Other Special Purpose Applications
ASTM
A307 Standard Specification for Carbon Steel Bolts and Studs, 60 000 PSI Tensile
Strength
ASTM
A449 Standard Specification for Hex Cap Screws, Bolts and Studs, Steel, Heat Treated,
120/105/90
ksi Minimum Tensile Strength
ASTM
A453/A453M Standard Specification for Bolting, Stud Bolts, Screws, Nuts
ASTM A354 Standard
Specification for Quenched and Tempered Alloy Steel Bolts, Studs, and Other Externally Threaded
Fasteners
ASTM
A320 Standard Specification for Alloy-Steel and Stainless Steel Bolting for Low-Temperature
Service
ASTM
A1082/A1082M Standard Specification for Bolting, Stud Bolts, Screws, Nuts
ASTM
A1014/A1014M Standard Specification for UNS N07718 Bolting, Stud Bolts, Screws, Nuts
ASTM
F468 Standard Specification for Nonferrous Bolts, Hex Cap Screws, and Studs
ASTM
F593 Standard Specification for Stainless Steel Bolts, Hex Cap Screws, and Studs
ASTM
F901 Aluminium Transmission Tower Bolts
ASTM F738
Stud Bolts, Screws
ASTM F1554
Anchor Bolts, Anchor Rods
ASTM
F2281 Bolting, Stud Bolts, Screws, Hex Cap Screws, Threaded Rods
B18.2.3.1M Metric
Hex Cap
Screws
B18.2.3.4M
Metric Formed Hex Screws
B18.2.3.5M
Metric Hex Bolts
ISO
898-1
Bolting Fasteners, Bolting Stud Bolts, Screws
ISO
3506-1
Bolting, Stud Bolts, Screws, Nuts
ISO
3506-5
Bolting, Stud Bolts, Screws, Nuts
ISO 4017 Full Thread Hex Head Bolts