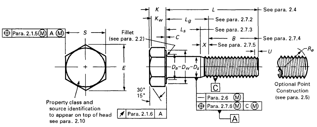
ASME B18.2.3.1M Standard covers the complete general and dimensional data for metric series hex cap screws recognized as American National Standard. The Tables measurements are also converted into millimeters to make the information clearer and easier to understand.
| Nominal Dia.,D,and Thread Pitch | Body Dia., D s | Width Across Flats, S | Width Across Corners, E | Head Height, K | Wrenching Height, K1 1 | Washer Face Thick., C | Washer Face Dia., DW | |||||
|---|---|---|---|---|---|---|---|---|---|---|---|---|
| Max | Min. | Max | Min. | Max | Min. | Max | Min. | Min. | Max | Min. | Min. | |
| ANSI B18.2.3.1M - M5 | 5 | 4.82 | 8 | 7.78 | 9.24 | 8.79 | 3.65 | 3.35 | 2.4 | 0.5 | 0.2 | 7 |
| ANSI B18.2.3.1M - M6 | 6 | 5.82 | 10 | 9.78 | 11.55 | 11.05 | 4.15 | 3.85 | 2.8 | 0.5 | 0.2 | 8.9 |
| ANSI B18.2.3.1M - M8 | 8 | 7.78 | 13 | 12.73 | 15.01 | 14.38 | 5.5 | 5.1 | 3.7 | 0.6 | 0.3 | 11.6 |
| ANSI B18.2.3.1M - aM10 | 10 | 9.78 | 15 | 14.73 | 17.32 | 16.64 | 6.63 | 6.17 | 4.5 | 0.6 | 0.3 | 13.6 |
| ANSI B18.2.3.1M - M10 | 10 | 9.78 | 16 | 15.73 | 18.48 | 17.77 | 6.63 | 6.17 | 4.5 | 0.6 | 0.3 | 14.6 |
| ANSI B18.2.3.1M - M12 | 12 | 11.73 | 18 | 17.73 | 20.78 | 20.03 | 7.76 | 7.24 | 5.2 | 0.6 | 0.3 | 16.6 |
| ANSI B18.2.3.1M - M14 | 14 | 13.73 | 21 | 20.67 | 24.25 | 23.35 | 9.09 | 8.51 | 6.2 | 0.6 | 0.3 | 19.6 |
| ANSI B18.2.3.1M - M16 | 16 | 15.73 | 24 | 23.67 | 27.71 | 26.75 | 10.32 | 9.68 | 7 | 0.8 | 0.4 | 22.5 |
| ANSI B18.2.3.1M - M20 | 20 | 19.67 | 30 | 29.16 | 34.64 | 32.95 | 12.88 | 12.12 | 8.8 | 0.8 | 0.4 | 27.7 |
| ANSI B18.2.3.1M - M24 | 24 | 23.67 | 36 | 35 | 41.57 | 39.55 | 15.44 | 14.56 | 10.5 | 0.8 | 0.4 | 33.2 |
| ANSI B18.2.3.1M - M30 | 30 | 29.67 | 46 | 45 | 53.12 | 50.85 | 19.48 | 17.92 | 13.1 | 0.8 | 0.4 | 42.7 |
| ANSI B18.2.3.1M - M36 | 36 | 35.61 | 55 | 53.8 | 63.51 | 60.79 | 23.38 | 21.62 | 15.8 | 0.8 | 0.4 | 51.1 |
| ANSI B18.2.3.1M - M42 | 42 | 41.38 | 65 | 62.9 | 75.06 | 71.71 | 26.97 | 25.03 | 18.2 | 1 | 0.5 | 59.8 |
| ANSI B18.2.3.1M - M48 | 48 | 47.38 | 75 | 72.6 | 86.6 | 82.76 | 31.07 | 28.93 | 21 | 1 | 0.5 | 69 |
| ANSI B18.2.3.1M - M56 | 56 | 55.26 | 85 | 82.2 | 98.15 | 93.71 | 36.2 | 33.8 | 24.5 | 1 | 0.5 | 78.1 |
| ANSI B18.2.3.1M - M64 | 64 | 63.26 | 95 | 91.8 | 109.7 | 104.65 | 41.32 | 38.68 | 28 | 1 | 0.5 | 87.2 |
| ANSI B18.2.3.1M - M72 | 72 | 71.26 | 105 | 101.4 | 121.24 | 115.6 | 46.45 | 43.55 | 31.5 | 1.2 | 0.6 | 96.3 |
| ANSI B18.2.3.1M - M80 | 80 | 79.26 | 115 | 111 | 132.72 | 126.54 | 51.58 | 48.42 | 35 | 1.2 | 0.6 | 105.4 |
| ANSI B18.2.3.1M - M90 | 90 | 89.13 | 130 | 125.5 | 150.11 | 143.07 | 57.74 | 54.26 | 39.2 | 1.2 | 0.6 | 119.2 |
| ANSI B18.2.3.1M - M100 | 100 | 99.13 | 145 | 140 | 167.43 | 159.6 | 63.9 | 60.1 | 43.4 | 1.2 | 0.6 | 133 |
|
||||||||||||
| Nominal Screw Diameter and Thread Pitch |
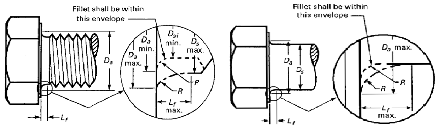
Fillet Transition Diameter, Da |
Fillet Length, Lf | Fillet Radius for Short and Long Screws, R, Min. |
Body Diameter for Short Screws, Dsi, Min. |
||
|---|---|---|---|---|---|---|
| For Short Screws, Min. |
For Short and Long Screws, Max. |
For Long Screws, Max. |
For Short Screws, Max. |
|||
| M5 | 5.1 | 5.7 | 1.2 | 0.7 | 0.2 | 4.36 |
| M6 | 6.2 | 6.8 | 1.4 | 0.9 | 0.25 | 5.21 |
| M8 | 8.3 | 9.2 | 2.0 | 1.1 | 0.4 | 7.04 |
| M10 | 10.2 | 11.2 | 2.0 | 1.2 | 0.4 | 8.86 |
| M12 | 12.2 | 13.7 | 3.0 | 1.3 | 0.6 | 10.68 |
| M14 | 14.1 | 15.7 | 3.0 | 1.4 | 0.6 | 12.50 |
| M16 | 16.5 | 17.7 | 3.0 | 1.6 | 0.6 | 14.50 |
| M20 | 20.7 | 22.4 | 4.0 | 2.1 | 0.8 | 18.16 |
| M24 | 24.5 | 26.4 | 4.0 | 2.3 | 0.8 | 21.80 |
| M30 | 30.8 | 33.4 | 6.0 | 3.0 | 1.0 | 27.46 |
| M36 | 36.6 | 39.4 | 6.0 | 3.1 | 1.0 | 33.12 |
| M42 | . . . | 45.6 | 8.0 | 3.4 | 1.2 | 38.78 |
| M48 | . . . | 52.6 | 10.0 | 4.0 | 1.6 | 44.43 |
| M56 | . . . | 63.0 | 12.0 | 4.8 | 2.0 | 52.09 |
| M64 | . . . | 71.0 | 13.0 | 5.0 | 2.0 | 59.74 |
| M72 | . . . | 79.0 | 13.0 | 5.0 | 2.0 | 67.74 |
| M80 | . . . | 87.0 | 13.0 | 5.0 | 2.0 | 75.74 |
| M90 | . . . | 97.0 | 13.0 | 5.0 | 2.5 | 85.74 |
| M100 | . . . | 107.0 | 13.0 | 5.5 | 2.5 | 95.72 |
| Nominal Screw Diameter and Thread Pitch | Thread Length, B, Ref | Transition Thread Length, X, Ref | Screws Threaded Full Length | ||||||
|---|---|---|---|---|---|---|---|---|---|
| Screw Lengths, L ≤ 125 | Screw Lengths, L > 125 & ≤ 200 | Screw Lengths, L > 200 | Screw Lengths, L, Under | Unthreaded Length Under Head, A, Max. [Note (1)] | Screw Lengths, L | Unthreaded Length Under Head, A, Max. |
|||
| At Least | Under | ||||||||
| M5 | 16 | 22 | 35 | 4.0 | 10 | 1.2 | 10 | 25 | 2.4 |
| M6 | 18 | 24 | 37 | 5.0 | 12 | 1.5 | 12 | 30 | 3.0 |
| M8 | 22 | 28 | 41 | 6.25 | 16 | 1.9 | 16 | 40 | 4.0 |
| M10 | 26 | 32 | 45 | 7.5 | 20 | 2.2 | 20 | 45 | 4.5 |
| M12 | 30 | 36 | 49 | 8.75 | 24 | 2.6 | 24 | 50 | 5.3 |
| M14 | 34 | 40 | 53 | 10.0 | 28 | 3.0 | 28 | 60 | 6.0 |
| M16 | 38 | 44 | 57 | 10.0 | 32 | 3.0 | 32 | 65 | 6.0 |
| M20 | 46 | 52 | 65 | 12.5 | 40 | 3.8 | 40 | 80 | 7.5 |
| M24 | 54 | 60 | 73 | 15.0 | ... | ... | ... | 90 | 9.0 |
| M30 | 66 | 72 | 85 | 17.5 | ... | ... | ... | 110 | 10.5 |
| M36 | ... | 84 | 97 | 20.0 | ... | ... | ... | 140 | 12.0 |
| M42 | ... | 96 | 109 | 22.5 | ... | ... | ... | 160 | 13.5 |
| M48 | ... | 108 | 121 | 25.0 | ... | ... | ... | 180 | 15.0 |
| M56 | ... | ... | 137 | 27.5 | ... | ... | ... | 220 | 16.5 |
| M64 | ... | ... | 153 | 30.0 | ... | ... | ... | 260 | 18.0 |
| M72 | ... | ... | 169 | 30.0 | ... | ... | ... | 280 | 18.0 |
| M80 | ... | ... | 185 | 30.0 | ... | ... | ... | 300 | 18.0 |
| M90 | ... | ... | 205 | 30.0 | ... | ... | ... | 340 | 18.0 |
| M100 | ... | ... | 225 | 30.0 | ... | ... | ... | 360 | 18.0 |
| Nominal Length | Nominal Screw Diameter | ||||||||
|---|---|---|---|---|---|---|---|---|---|
| Over | Thru | M5 | M6 | M8 | M10 | M12 | M14 | M16-M24 | >M24 |
| 6 | 10 | ±0.29 | ±0.29 | ±0.29 | ±0.29 | ... | ... | ... | ... |
| 10 | 18 | ±0.35 | ±0.35 | ±0.35 | ±0.35 | ±0.35 | ±0.35 | ±0.35 | ... |
| 18 | 30 | ±0.42 | ±0.42 | ±0.42 | ±0.42 | ±0.42 | ±0.42 | ±0.42 | ±1.05 |
| 30 | 50 | ±0.50 | ±0.50 | ±0.50 | ±0.50 | ±0.50 | ±0.50 | ±0.50 | ±1.25 |
| 50 | 60 | ±1.50 | ±0.60 | ±0.60 | ±0.60 | ±0.60 | ±0.60 | ±0.60 | ±1.50 |
| 60 | 80 | ±1.50 | ±1.50 | ±0.60 | ±0.60 | ±0.60 | ±0.60 | ±0.60 | ±1.50 |
| 80 | 100 | ±1.75 | ±1.75 | ±1.75 | ±0.70 | ±0.70 | ±0.70 | ±0.70 | ±1.75 |
| 100 | 120 | ±1.75 | ±1.75 | ±1.75 | ±1.75 | ±0.70 | ±0.70 | ±0.70 | ±1.75 |
| 120 | 140 | ±2.00 | ±2.00 | ±2.00 | ±2.00 | ±2.00 | ±0.80 | ±0.80 | ±2.00 |
| 140 | 150 | ±2.00 | ±2.00 | ±2.00 | ±2.00 | ±2.00 | ±2.00 | ±0.80 | ±2.00 |
| 150 | 180 | ±2.00 | ±2.00 | ±2.00 | ±2.00 | ±2.00 | ±2.00 | ±2.00 | ±2.00 |
| 180 | 250 | ±2.30 | ±2.30 | ±2.30 | ±2.30 | ±2.30 | ±2.30 | ±2.30 | ±2.30 |
| 250 | 315 | ±2.60 | ±2.60 | ±2.60 | ±2.60 | ±2.60 | ±2.60 | ±2.60 | ±2.60 |
| 315 | 400 | ±2.85 | ±2.85 | ±2.85 | ±2.85 | ±2.85 | ±2.85 | ±2.85 | ±2.85 |
| 400 | 500 | ±3.15 | ±3.15 | ±3.15 | ±3.15 | ±3.15 | ±3.15 | ±3.15 | ±3.15 |
| Nominal Length, L | M5 | M6 | M8 | M10 | M12 | M14 | M16 | M20 | M24 | M30 | M36 | |||||||||||
|---|---|---|---|---|---|---|---|---|---|---|---|---|---|---|---|---|---|---|---|---|---|---|
| Lg Max. |
Ls Min. |
Lg Max. |
Ls Min. |
Lg Max. |
Ls Min. |
Lg Max. |
Ls Min. |
Lg Max. |
Ls Min. |
Lg Max. |
Ls Min. |
Lg Max. |
Ls Min. |
Lg Max. |
Ls Min. |
Lg Max. |
Ls Min. |
Lg Max. |
Ls Min. |
Lg Max. |
Ls Min. |
|
| 8 | 1.2 | ... | ... | ... | ... | ... | ... | ... | ... | ... | ... | ... | ... | ... | ... | ... | ... | ... | ... | ... | ... | ... |
| 10 | 2.4 | ... | 1.5 | ... | ... | ... | ... | ... | ... | ... | ... | ... | ... | ... | ... | ... | ... | ... | ... | ... | ... | ... |
| 12 | 2.4 | ... | 3.0 | ... | 1.9 | ... | ... | ... | ... | ... | ... | ... | ... | ... | ... | ... | ... | ... | ... | ... | ... | ... |
| 16 | 2.4 | ... | 3.0 | ... | 4.0 | ... | 2.2 | ... | 2.6 | ... | 3.0 | ... | ... | ... | ... | ... | ... | ... | ... | ... | ... | ... |
| 20 | 2.4 | ... | 3.0 | ... | 4.0 | ... | 4.5 | ... | 2.6 | ... | 3.0 | ... | ... | ... | ... | ... | ... | ... | ... | ... | ... | ... |
| 25 | 9.0 | 5.0 | 3.0 | ... | 4.0 | ... | 4.5 | ... | 5.3 | ... | 3.0 | ... | 3.0 | ... | ... | ... | ... | ... | ... | ... | ... | ... |
| 30 | 14.0 | 10.0 | 12.0 | 7.0 | 4.0 | ... | 4.5 | ... | 5.3 | ... | 6.0 | ... | 3.0 | ... | 3.8 | ... | ... | ... | ... | ... | ... | ... |
| 35 | 19.0 | 15.0 | 17.0 | 12.0 | 4.0 | ... | 4.5 | ... | 5.3 | ... | 6.0 | ... | 6.0 | ... | 3.8 | ... | 9.0 | ... | ... | ... | ... | ... |
| 40 | 24.0 | 20.0 | 22.0 | 17.0 | 18.0 | 11.75 | 4.5 | ... | 5.3 | ... | 6.0 | ... | 6.0 | ... | 7.5 | ... | 9.0 | ... | 10.5 | ... | ... | ... |
| 45 | 29.0 | 25.0 | 27.0 | 22.0 | 23.0 | 16.75 | 19.0 | 11.5 | 5.3 | ... | 6.0 | ... | 6.0 | ... | 7.5 | ... | 9.0 | ... | 10.5 | ... | ... | ... |
| 50 | 34.0 | 30.0 | 32.0 | 27.0 | 28.0 | 21.75 | 24.0 | 16.5 | 20.0 | 11.25 | 6.0 | ... | 6.0 | ... | 7.5 | ... | 9.0 | ... | 10.5 | ... | 12.0 | ... |
| 60 | ... | ... | 42.0 | 37.0 | 38.0 | 31.75 | 34.0 | 26.5 | 30.0 | 21.25 | 26.0 | 16.0 | 6.0 | ... | 7.5 | ... | 9.0 | ... | 10.5 | ... | 12.0 | ... |
| 70 | ... | ... | ... | ... | 48.0 | 41.75 | 44.0 | 36.5 | 40.0 | 31.25 | 36.0 | 26.0 | 32.0 | 22.0 | 7.5 | ... | 9.0 | ... | 10.5 | ... | 12.0 | ... |
| 80 | ... | ... | ... | ... | 58.0 | 51.75 | 54.0 | 46.5 | 50.0 | 41.25 | 46.0 | 36.0 | 42.0 | 32.0 | 34.0 | 21.5 | 9.0 | ... | 10.5 | ... | 12.0 | ... |
| 100 | ... | ... | ... | ... | ... | ... | 74.0 | 66.5 | 70.0 | 61.25 | 66.0 | 56.0 | 62.0 | 52.0 | 54.0 | 41.5 | 46.0 | 31.0 | 10.5 | ... | 12.0 | ... |
| 120 | ... | ... | ... | ... | ... | ... | ... | ... | 90.0 | 81.25 | 86.0 | 76.0 | 82.0 | 72.0 | 74.0 | 61.5 | 66.0 | 51.0 | 54.0 | 36.5 | 12.0 | ... |
| 150 | ... | ... | ... | ... | ... | ... | ... | ... | ... | ... | ... | ... | 106.0 | 96.0 | 98.0 | 85.5 | 90.0 | 75.0 | 78.0 | 60.5 | 66.0 | 46.0 |
| 200 | ... | ... | ... | ... | ... | ... | ... | ... | ... | ... | ... | ... | ... | ... | 148.0 | 135.5 | 140.0 | 125.0 | 128.0 | 110.5 | 116.0 | 96.0 |
| 300 | ... | ... | ... | ... | ... | ... | ... | ... | ... | ... | ... | ... | ... | ... | ... | ... | ... | ... | 215.0 | 197.5 | 203.0 | 183.0 |
ASTM
A320/A320M Bolting, Stud Bolts, Screws
ASTM
A1082/A1082M Bolting, Stud Bolts, Screws, Nuts
ASTM
F468/F468M Bolting, Stud Bolts, Screws
ASTM
F738/F738M Stud Bolts, Screws
ISO 4014 Hex Bolts
ISO 4017
Full Thread Hex Head Bolts