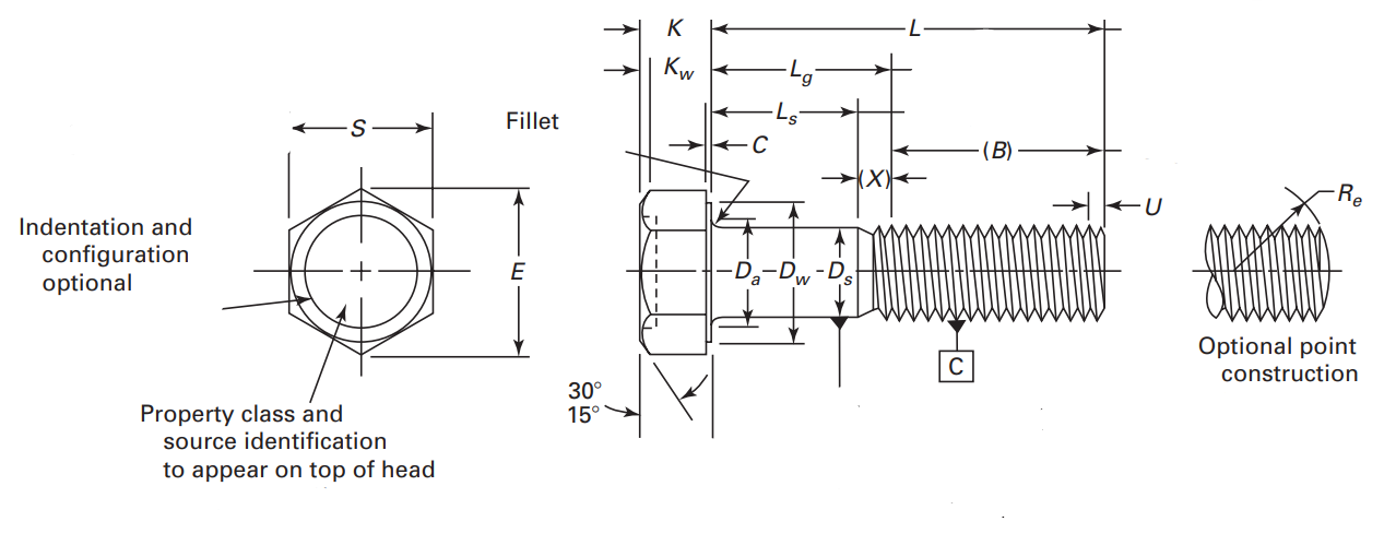
ASME B18.2.3.4M Standard covers the complete dimensional
and general data for metric formed hex screws recognized as American National Standard. Formed hex
screws are cold formed products with fully upset
(non-trimmed) heads. Formed hex screws are standard only in sizes M5 thru M24, with lengths up to
150 mm, or 10 times nominal screw size, whichever is
shorter.
The inclusion of dimensional data in ASME B18.2.3.4M Standard is not intended to imply that
all of the sizes in
conjunction with the various options described herein
are stock items. Consumers should consult with suppliers concerning lists of stock production formed
hex
screws.
The Tables measurements are also converted into millimeters to make the information clearer and
easier to understand.
| Nominal Diameter, D | Body Diameter, Ds | Width Across Flats, S | Width Across Corners, E | Head Height, K | Wrenching Height, Kw | Washer Face Thickness, C | Washer Face Diameter, Dw | Runout of Bearing Surface FIM | Fillet Transition Diameter | Fillet Length | Fillet Radius, R | Shoulder Diameter, Ds | Body Diameter, Dsi | Shoulder Length, Lsh | Point Radius, Re Approx. | Point Length, U Max. | Thread Length, B (Ref.) | ||||||||||||
|---|---|---|---|---|---|---|---|---|---|---|---|---|---|---|---|---|---|---|---|---|---|---|---|---|---|---|---|---|---|
| Max. | Min. | Max. | Min. | Max. | Min. | Max. | Min. | Min. | Max. | Min. | Min. | Max. | For Short Screws, Da1 Min. | For Short and Long Screws, Da Max. | For Short Screws, F1 Max. | For Long Screws, F Max. | For Short and Long Screws Min. | Max. | Min. | Max. | Min. | Max. | Min. | Screw Lengths ≤ 125 | Screw Lengths > 125 and ≤ 200 | Screw Lengths > 200 | |||
| M5 | 5.00 | 4.82 | 8.00 | 7.64 | 9.24 | 8.56 | 3.65 | 3.35 | 2.4 | 0.5 | 0.2 | 6.9 | 0.22 | 5.1 | 5.7 | 0.7 | 1.2 | 0.2 | 5.00 | 4.82 | 4.46 | 4.36 | 3.5 | 2.5 | 7.0 | 1.60 | 16 | 22 | 35 |
| M6 | 6.00 | 5.82 | 10.00 | 9.64 | 11.55 | 10.80 | 4.15 | 3.85 | 2.0 | 0.5 | 0.2 | 8.9 | 0.25 | 6.2 | 6.8 | 0.9 | 1.4 | 0.3 | 6.00 | 5.82 | 5.39 | 5.21 | 4.0 | 3.0 | 8.4 | 2.00 | 18 | 24 | 37 |
| M8 | 8.00 | 7.78 | 13.00 | 12.57 | 15.01 | 14.08 | 5.50 | 5.10 | 3.7 | 0.6 | 0.3 | 11.6 | 0.28 | 8.3 | 9.2 | 1.1 | 2.0 | 0.4 | 8.00 | 7.78 | 7.26 | 7.04 | 5.0 | 4.0 | 11.2 | 2.50 | 22 | 28 | 41 |
| M10 | 10.00 | 9.78 | 15.00 | 14.57 | 17.32 | 16.32 | 6.63 | 6.17 | 4.5 | 0.6 | 0.3 | 13.6 | 0.31 | 10.2 | 11.2 | 1.2 | 2.0 | 0.4 | 10.00 | 9.78 | 9.08 | 8.86 | 6.0 | 5.0 | 14.0 | 3.00 | 26 | 32 | 45 |
| M12 | 12.00 | 11.73 | 18.00 | 17.57 | 20.78 | 19.68 | 7.76 | 7.24 | 5.2 | 0.6 | 0.3 | 16.6 | 0.35 | 12.2 | 13.7 | 1.3 | 3.0 | 0.6 | 12.00 | 11.73 | 10.95 | 10.68 | 7.0 | 6.0 | 16.8 | 3.50 | 30 | 36 | 49 |
| M14 | 14.00 | 13.73 | 21.00 | 20.16 | 24.25 | 22.58 | 9.09 | 8.51 | 6.2 | 0.6 | 0.3 | 19.6 | 0.39 | 14.1 | 15.7 | 1.4 | 3.0 | 0.6 | 14.00 | 13.73 | 12.77 | 12.50 | 8.0 | 7.0 | 19.6 | 4.00 | 34 | 40 | 53 |
| M16 | 16.00 | 15.73 | 24.00 | 23.16 | 27.71 | 25.94 | 10.32 | 9.68 | 7.0 | 0.8 | 0.4 | 22.5 | 0.43 | 16.5 | 17.7 | 1.6 | 3.0 | 0.6 | 16.00 | 15.73 | 14.77 | 14.50 | 9.0 | 8.0 | 22.4 | 4.00 | 38 | 44 | 57 |
| M20 | 20.00 | 19.67 | 30.00 | 29.16 | 34.64 | 32.66 | 12.88 | 12.12 | 8.8 | 0.8 | 0.4 | 27.7 | 0.53 | 20.7 | 22.4 | 2.1 | 4.0 | 0.8 | 20.00 | 19.67 | 18.49 | 18.16 | 11.0 | 10.0 | 28.0 | 5.00 | 46 | 52 | 65 |
| M24 | 24.00 | 23.67 | 36.00 | 35.00 | 41.57 | 39.20 | 15.44 | 14.46 | 10.5 | 0.8 | 0.4 | 33.2 | 0.63 | 24.5 | 26.4 | 2.3 | 4.0 | 0.8 | 24.00 | 23.67 | 22.13 | 21.80 | 13.0 | 12.0 | 33.6 | 6.00 | 54 | 60 | 73 |
| Nominal Length, L | M5 x 0.8 | M6 x 1 | M8 x 1.25 | M10 x 1.5 | M12 x 1.75 | M14 x 2 | M16 x 2 | M20 x 2.5 | M24 x 3 | |||||||||
|---|---|---|---|---|---|---|---|---|---|---|---|---|---|---|---|---|---|---|
| Lg Max. |
Ls Min. |
Lg Max. |
Ls Min. |
Lg Max. |
Ls Min. |
Lg Max. |
Ls Min. |
Lg Max. |
Ls Min. |
Lg Max. |
Ls Min. |
Lg Max. |
Ls Min. |
Lg Max. |
Ls Min. |
Lg Max. |
Ls Min. |
|
| 8 | Full Thread | Full Thread | Full Thread | Full Thread | Full Thread | Full Thread | Full Thread | Full Thread | Full Thread | |||||||||
| 10 | Full Thread | Full Thread | Full Thread | Full Thread | Full Thread | Full Thread | Full Thread | Full Thread | Full Thread | |||||||||
| 12 | Full Thread | Full Thread | Full Thread | Full Thread | Full Thread | Full Thread | Full Thread | Full Thread | Full Thread | |||||||||
| 14 | Full Thread | Full Thread | Full Thread | Full Thread | Full Thread | Full Thread | Full Thread | Full Thread | Full Thread | |||||||||
| 16 | Full Thread | Full Thread | Full Thread | Full Thread | Full Thread | Full Thread | Full Thread | Full Thread | Full Thread | |||||||||
| 20 | Full Thread | Full Thread | Full Thread | Full Thread | Full Thread | Full Thread | Full Thread | Full Thread | Full Thread | |||||||||
| 25 | 5.0 | 9.0 | Full Thread | Full Thread | Full Thread | Full Thread | Full Thread | Full Thread | Full Thread | Full Thread | ||||||||
| 30 | 10.0 | 14.0 | 7.0 | 12.0 | Full Thread | Full Thread | Full Thread | Full Thread | Full Thread | Full Thread | Full Thread | |||||||
| 35 | 15.0 | 19.0 | 12.0 | 17.0 | Full Thread | Full Thread | Full Thread | Full Thread | Full Thread | Full Thread | Full Thread | |||||||
| 40 | 20.0 | 24.0 | 17.0 | 22.0 | 11.8 | 18.0 | Full Thread | Full Thread | Full Thread | Full Thread | Full Thread | Full Thread | ||||||
| 45 | 25.0 | 29.0 | 22.0 | 27.0 | 16.8 | 23.0 | 11.5 | 19.0 | Full Thread | Full Thread | Full Thread | Full Thread | Full Thread | |||||
| 50 | 30.0 | 34.0 | 27.0 | 32.0 | 21.8 | 28.0 | 16.5 | 24.0 | 11.2 | 20.0 | Full Thread | Full Thread | Full Thread | Full Thread | ||||
| 55 | 32.0 | 37.0 | 26.8 | 33.0 | 21.5 | 29.0 | 16.2 | 25.0 | Full Thread | Full Thread | Full Thread | Full Thread | ||||||
| 60 | 37.0 | 42.0 | 31.8 | 38.0 | 26.5 | 34.0 | 21.2 | 30.0 | 16.0 | 26.0 | Full Thread | Full Thread | Full Thread | |||||
| 65 | 36.8 | 43.0 | 31.5 | 39.0 | 26.2 | 35.0 | 21.0 | 31.0 | 17.0 | 27.0 | Full Thread | Full Thread | ||||||
| 70 | 41.8 | 48.0 | 36.5 | 44.0 | 31.2 | 40.0 | 26.0 | 36.0 | 22.0 | 32.0 | Full Thread | Full Thread | ||||||
| 80 | 51.8 | 58.0 | 46.5 | 54.0 | 41.2 | 50.0 | 36.0 | 46.0 | 32.0 | 42.0 | 21.5 | 34.0 | Full Thread | |||||
| 90 | 56.5 | 64.0 | 51.2 | 60.0 | 46.0 | 56.0 | 42.0 | 52.0 | 31.5 | 44.0 | 21.0 | 36.0 | ||||||
| 100 | 66.5 | 74.0 | 61.2 | 70.0 | 56.0 | 66.0 | 52.0 | 62.0 | 41.5 | 54.0 | 31.0 | 46.0 | ||||||
| 110 | 71.2 | 80.0 | 66.0 | 76.0 | 62.0 | 72.0 | 51.5 | 64.0 | 41.0 | 56.0 | ||||||||
| 120 | 81.2 | 90.0 | 76.0 | 86.0 | 72.0 | 82.0 | 61.5 | 74.0 | 51.0 | 66.0 | ||||||||
| 130 | 80.0 | 90.0 | 76.0 | 86.0 | 65.5 | 78.0 | ||||||||||||
| 140 | 90.0 | 100.0 | 86.0 | 96.0 | 75.5 | 88.0 | ||||||||||||
| 150 | 96.0 | 106.0 | 85.5 | 98.0 | ||||||||||||||
| Nominal Length | Nominal Diameter | |||||||||
|---|---|---|---|---|---|---|---|---|---|---|
| Over | Thru | M5 | M6 | M8 | M10 | M12 | M14 | M16 | M20 | M24 |
| 6 | 10 | ±0.29 | ±0.29 | ±0.29 | ±0.29 | . . . | . . . | . . . | . . . | . . . |
| 10 | 18 | ±0.35 | ±0.35 | ±0.35 | ±0.35 | ±0.35 | ±0.35 | ±0.35 | ±0.35 | ±0.35 |
| 18 | 30 | ±0.42 | ±0.42 | ±0.42 | ±0.42 | ±0.42 | ±0.42 | ±0.42 | ±0.42 | ±0.42 |
| 30 | 50 | ±0.50 | ±0.50 | ±0.50 | ±0.50 | ±0.50 | ±0.50 | ±0.50 | ±0.50 | ±0.50 |
| 50 | 60 | ±1.50 | ±0.60 | ±0.60 | ±0.60 | ±0.60 | ±0.60 | ±0.60 | ±0.60 | ±0.60 |
| 60 | 80 | ±1.50 | ±1.50 | ±0.60 | ±0.60 | ±0.60 | ±0.60 | ±0.60 | ±0.60 | ±0.60 |
| 80 | 100 | ±1.75 | ±1.75 | ±1.75 | ±0.70 | ±0.70 | ±0.70 | ±0.70 | ±0.70 | ±0.70 |
| 100 | 120 | ±1.75 | ±1.75 | ±1.75 | ±1.75 | ±0.70 | ±0.70 | ±0.70 | ±0.70 | ±0.70 |
| 120 | 140 | ±2.00 | ±2.00 | ±2.00 | ±2.00 | ±2.00 | ±0.80 | ±0.80 | ±0.80 | ±0.80 |
| 140 | 150 | ±2.00 | ±2.00 | ±2.00 | ±2.00 | ±2.00 | ±2.00 | ±0.80 | ±0.80 | ±0.80 |
| 150 | 180 | ±2.00 | ±2.00 | ±2.00 | ±2.00 | ±2.00 | ±2.00 | ±2.00 | ±2.00 | ±2.00 |
| 180 | 250 | ±2.30 | ±2.30 | ±2.30 | ±2.30 | ±2.30 | ±2.30 | ±2.30 | ±2.30 | ±2.30 |
| 250 | 315 | ±2.60 | ±2.60 | ±2.60 | ±2.60 | ±2.60 | ±2.60 | ±2.60 | ±2.60 | ±2.60 |
| 315 | 400 | ±2.85 | ±2.85 | ±2.85 | ±2.85 | ±2.85 | ±2.85 | ±2.85 | ±2.85 | ±2.85 |
| 400 | 500 | ±3.15 | ±3.15 | ±3.15 | ±3.15 | ±3.15 | ±3.15 | ±3.15 | ±3.15 | ±3.15 |
ASTM
A193/A193M Bolting, Stud Bolts, Screws
ASTM
A320/A320M Bolting, Stud Bolts, Screws
ASTM A354
Bolts
ASTM
A449 Hex Cap Screws, Bolts, Studs
ASTM
A453/A453M Bolting, Stud Bolts, Screws, Nuts
ASTM
A574/A574M Standard Specification for Alloy Steel
Socket Head Cap Screws
ASTM
A1014/A1014M UNS N07718 Bolting, Stud Bolts, Screws, Nuts
ASTM
A1082/A1082M Bolting, Stud Bolts, Screws, Nuts
ASTM
F1554 Anchor Bolts, Anchor Rods
ASTM
F2882 Stud Bolts, Screws, Threaded Rod
ASTM
F3042 Socket Set, Square Head Slotted Headless Screw
ASTM
F3125/F3125M Heavy Hex Bolts, Screws, Studs
ASTM
F468/F468M Bolting, Stud Bolts, Screws
ASTM
F593 Bolting, Stud Bolts, Screws
ASTM
F738/F738M Stud Bolts, Screws
ASTM
F835/F835M Standard Specification for Alloy Steel Socket Button and Flat Countersunk
Head Cap Screws
ASTM
F837/F837M Standard Specification for Stainless Steel
Socket Head Cap Screws
ASTM
F880/F880M Standard Specification for Stainless Steel Socket Set Screws
ASTM
F901 Aluminium Transmission Tower Bolts
ASTM
F912/912M Standard Specification for Alloy Steel
Socket Set Screws
EN 10269 Bolting Fasteners, Bolting Stud Bolts, Screws, Nuts, Washers
ISO
898-1
Bolting Fasteners, Bolting Stud Bolts, Screws
ISO
3506-1
Bolting, Stud Bolts, Screws, Nuts
ISO
3506-5
Bolting, Stud Bolts, Screws, Nuts