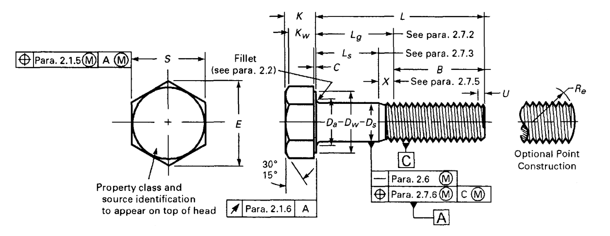
ASME B18.6.3 Plain and Slotted Hexagon Head Machine Screws
Standard is intended to cover the complete general and dimensional data for the various types of slotted
and recessed head machine screws, tapping screws, and metallic drive screws recognized as American
National Standard. Also included are appendices that provide specifications and instructions for the
protrusion gaging of flat countersunk head screws; across-corners gaging of hex head screws; penetration
gaging and wobble gaging of recessed head screws; approximate hole size for tapping screws; wrench
openings for hex and square products; thread dimensions for the No. 0000, No. 000, and No. 00 sizes;
means for determining effective grip lengths on screws; documentation for screw types and head types
relegated to not-recommended or limited-usage status; and formulas on which dimensional data are based.
It shall be understood, however, that where questions arise concerning acceptance of product, the
dimensions in the tables shall govern over recalculation by formula.
The inclusion of dimensional data in ASME B18.6.3 Standard is not intended to imply that
all of the products described are stock production sizes. Consumers should consult with suppliers
concerning the availability of products.
| Nominal Sizea | Regular Head | Large Head | Head Height, H | Slota Width, J | Slota Depth, T | ||||||||
|---|---|---|---|---|---|---|---|---|---|---|---|---|---|
| Width Across Flats, A | Across Corn., W | Width Across Flats, A | Across Corn., W | ||||||||||
| Max. | Min. | Min. | Max. | Min. | Min. | Max. | Min. | Max. | Min. | Max. | Min. | ||
| ANSI B18.6.3 - #1 | 0.073 | 0.125 | 0.12 | 0.134 | .... | .... | .... | 0.044 | 0.036 | .... | .... | .... | ... |
| ANSI B18.6.3 - #2 | 0.086 | 0.125 | 0.12 | 0.134 | .... | .... | .... | 0.05 | 0.04 | .... | .... | .... | ... |
| ANSI B18.6.3 - #3 | 0.099 | 0.188 | 0.181 | 0.202 | .... | .... | .... | 0.055 | 0.044 | .... | .... | .... | ... |
| ANSI B18.6.3 - #4 | 0.112 | 0.188 | 0.181 | 0.202 | 0.219 | 0.213 | 0.238 | 0.06 | 0.049 | 0.039 | 0.031 | 0.036 | 0.02 |
| ANSI B18.6.3 - #5 | 0.125 | 0.188 | 0.181 | 0.202 | 0.25 | 0.244 | 0.272 | 0.07 | 0.058 | 0.043 | 0.035 | 0.042 | 0.03 |
| ANSI B18.6.3 - #6 | 0.138 | 0.25 | 0.244 | 0.272 | .... | .... | .... | 0.093 | 0.08 | 0.048 | 0.039 | 0.046 | 0.03 |
| ANSI B18.6.3 - #8 | 0.164 | 0.25 | 0.244 | 0.272 | 0.312 | 0.305 | 0.34 | 0.11 | 0.096 | 0.054 | 0.045 | 0.066 | 0.05 |
| ANSI B18.6.3 - #10 | 0.19 | 0.312 | 0.305 | 0.34 | .... | .... | .... | 0.12 | 0.105 | 0.06 | 0.05 | 0.072 | 0.057 |
| ANSI B18.6.3 - #12 | 0.216 | 0.312 | 0.305 | 0.34 | 0.375 | 0.367 | 0.409 | 0.155 | 0.139 | 0.067 | 0.056 | 0.093 | 0.07 |
| ANSI B18.6.3 - 1⁄4 | 0.25 | 0.375 | 0.367 | 0.409 | 0.438 | 0.428 | 0.477 | 0.19 | 0.172 | 0.075 | 0.064 | 0.101 | 0.08 |
| ANSI B18.6.3 - 5⁄16 | 0.3125 | 0.5 | 0.489 | 0.545 | .... | .... | .... | 0.23 | 0.208 | 0.084 | 0.072 | 0.122 | 0.1 |
| ANSI B18.6.3 - 3⁄8 | 0.375 | 0.562 | 0.551 | 0.614 | .... | .... | .... | 0.295 | 0.27 | 0.094 | 0.081 | 0.156 | 0.13 |
|
|||||||||||||
ASTM
A193/A193M Standard Specification for Alloy-Steel and Stainless Steel Bolting Materials for
High Temperature or High Pressure Service and Other Special Purpose Applications
ASTM
A307 Standard Specification for Carbon Steel Bolts and Studs, 60 000 PSI Tensile
Strength
ASTM
A449 Standard Specification for Hex Cap Screws, Bolts and Studs, Steel, Heat Treated,
120/105/90
ksi Minimum Tensile Strength
ASTM
A453/A453M Standard Specification for Bolting, Stud Bolts, Screws, Nuts
ASTM A354 Standard
Specification for Quenched and Tempered Alloy Steel Bolts, Studs, and Other Externally Threaded
Fasteners
ASTM
A320 Standard Specification for Alloy-Steel and Stainless Steel Bolting for Low-Temperature
Service
ASTM
A1082/A1082M Standard Specification for Bolting, Stud Bolts, Screws, Nuts
ASTM
A1014/A1014M Standard Specification for UNS N07718 Bolting, Stud Bolts, Screws, Nuts
ASTM
F468 Standard Specification for Nonferrous Bolts, Hex Cap Screws, and Studs
ASTM
F593 Standard Specification for Stainless Steel Bolts, Hex Cap Screws, and Studs
ASTM
F901 Aluminium Transmission Tower Bolts
ASTM F738
Stud Bolts, Screws
ASTM F1554
Anchor Bolts, Anchor Rods
ASTM
F2281 Bolting, Stud Bolts, Screws, Hex Cap Screws, Threaded Rods
ASTM
F3125 Heavy Hex Bolts, Screws, Studs
EN 10269 Bolting Fasteners, Bolting Stud Bolts, Screws, Nuts, Washers
ISO
898-1
Bolting Fasteners, Bolting Stud Bolts, Screws
ISO
3506-1
Bolting, Stud Bolts, Screws, Nuts
ISO
3506-5
Bolting, Stud Bolts, Screws, Nuts